MINN KOTA Vantage 80 Transom Mount Trolling Motor User Guide

CE MASTER USER MANUAL (FOR CE/C-TICK CERTIFIED MODELS)
Conforms to 89/336/EEC (EMC) under standards EN 55022A, EN 50082-2 since 1996 LN V9677264
THANK YOU
Thank you for choosing Minn Kota. We believe that you should spend more time fishing and less time positioning your boat. That’s why we build the smartest, toughest, most intuitive trolling motors on the water. Every aspect of a Minn Kota trolling motor is thought out and rethought until it’s good enough to bear our name. Countless hours of research and testing provide you the Minn Kota advantage that can truly take you “Anywhere. Anytime.” We don’t believe in shortcuts. We are Minn Kota. And we are never done helping you catch more fish.
REMEMBER TO KEEP YOUR RECEIPT AND IMMEDIATELY REGISTER YOUR TROLLING MOTOR.
A registration card is enclosed or you can complete registration on our website at minnkotamotors.com.
NOTE: Do not return your Minn Kota motor to your retailer. Your retailer is not authorized to repair or replace this unit. You may obtain service by: calling Minn Kota at (800) 227-6433; returning your motor to the Minn Kota Factory Service Center; sending or taking your motor to any Minn Kota authorized service center. A list of authorized service centers is available on our website, at minnkotamotors.com. Please include proof of purchase, serial number and purchase date for warranty service with any of the above options.
Please thoroughly read this user manual. Follow all instructions and heed all safety and cautionary notices below. Use of this motor is only permitted for persons that have read and understood these user instructions. Minors may use this motor only under adult supervision.
ATTENTION: Never run the motor out of the water, as this may result in injuries from the rotating propeller. The motor should be disconnected from the power source when it is not in use or is off the water. When connecting the power-supply cables of the motor to the battery, ensure that they are not kinked or subject to chafe and route them in such a way that persons cannot trip over them. Before using the motor make sure that the insulation of the power cables is not damaged. Disregarding these safety precautions may result in electric shorts of battery(s) and/or motor. Always disconnect motor from battery(s) before cleaning or checking the propeller. Avoid submerging the complete motor as water may enter the lower unit through control head and shaft. If the motor is used while water is present in the lower unit considerable damage to the motor can occur. This damage will not be covered by warranty.
CAUTION: Take care that neither you nor other persons approach the turning propeller too closely, neither with body parts nor with objects. The motor is powerful and may endanger or injure you or others. While the motor is running watch out for persons swimming and for floating objects. Persons whose ability to run the motor or whose reactions are impaired by alcohol, drugs, medication, or other substances are not permitted to use this motor. This motor is not suitable for use in strong currents. The constant noise pressure level of the motor during use is less than 70dB(A). The overall vibration level does not exceed 2,5m/sec2.
LOCATING YOUR SERIAL NUMBER Your Minn Kota 11-character serial number is very important. It helps to determine the specific model and year of manufacture. When contacting Consumer Service or registering your product, you will need to know your product’s serial number. We recommend that you write the serial number down in the space provided below so that you have it available for future reference.
The serial number on your Vantage is located on the inside of the main transom bracket

Model: ________________________________________________________________________________________________
Serial Number:_______________________________________________________________________________________________
Purchase Date: _______________________________________________________________________________________________________________
Store Where Purchased: ____________________________________________________________________________________________________
TWO-YEAR LIMITED WARRANTY
WARRANTY ON MINN KOTA FRESHWATER TROLLING MOTORS
Johnson Outdoors Marine Electronics, Inc. (“JOME”) extends the following limited warranty to the original retail purchaser only. Warranty coverage is not transferable.
MINN KOTA LIMITED TWO-YEAR WARRANTY ON THE ENTIRE PRODUCT
JOME warrants to the original retail purchaser only that the purchaser’s new Minn Kota freshwater trolling motor will be materially free from defects in materials and workmanship appearing within two (2) years after the date of purchase. JOME will (at its option) either repair or replace, free of charge, any parts found by JOME to be defective during the term of this warranty. Such repair, or replacement shall be the sole and exclusive liability of JOME and the sole and exclusive remedy of the purchaser for breach of this warranty.
EXCLUSIONS & LIMITATIONS
This limited warranty does not apply to products that have been used in saltwater or brackish water, commercially or for rental purposes. This limited warranty does not cover normal wear and tear, blemishes that do not affect the operation of the product, or damage caused by accidents, abuse, alteration, modification, shipping damages, acts of God, negligence of the user or misuse, improper or insufficient care or maintenance. DAMAGE CAUSED BY THE USE OF OTHER REPLACEMENT PARTS NOT MEETING THE DESIGN SPECIFICATIONS OF THE ORIGINAL PARTS WILL NOT BE COVERED BY THIS LIMITED WARRANTY. The cost of normal maintenance or replacement parts which are not in breach of the limited warranty are the responsibility of the purchaser. Prior to using products, the purchaser shall determine the suitability of the products for the intended use and assumes all related risk and liability. Any assistance JOME provides to or procures for the purchaser outside the terms, limitations or exclusions of this limited warranty will not constitute a waiver of the terms, limitations or exclusions, nor will such assistance extend or revive the warranty. JOME will not reimburse the purchaser for any expenses incurred by the purchaser in repairing, correcting or replacing any defective products or parts, except those incurred with JOME’s prior written permission. JOME’S AGGREGATE LIABILITY WITH RESPECT TO COVERED PRODUCTS IS LIMITED TO AN AMOUNT EQUAL TO THE PURCHASER’S ORIGINAL PURCHASE PRICE PAID FOR SUCH PRODUCT.
MINN KOTA SERVICE INFORMATION
To obtain warranty service in the U.S., the product believed to be defective, and proof of original purchase (including the date of purchase), must be presented to a Minn Kota Authorized Service Center or to Minn Kota’s factory service center in Mankato, MN. Any charges incurred for service calls, transportation or shipping/freight to/from the Minn Kota Authorized Service Center or factory, labor to haul out, remove, re-install or re-rig products removed for warranty service, or any other similar items are the sole and exclusive responsibility of the purchaser. Products purchased outside of the U.S. must be returned prepaid with proof of purchase (including the date of purchase and serial number) to any Authorized Minn Kota Service Center in the country of purchase. Warranty service can be arranged by contacting a Minn Kota Authorized Service Center or by contacting the factory at 1-800-227-6433 or email service@minnkotamotors.com. Products repaired or replaced will be warranted for the remainder of the original warranty period [or for 90 days from the date of repair or replacement, whichever is longer]. For any product that is returned for warranty service that JOME finds to be not covered by or not in breach of this limited warranty, there will be a billing for services rendered at the prevailing posted labor rate and for a minimum of at least one hour.
NOTE: Do not return your Minn Kota product to your retailer. Your retailer is not authorized to repair or replace products.
THERE ARE NO EXPRESS WARRANTIES OTHER THAN THESE LIMITED WARRANTIES. IN NO EVENT SHALL ANY IMPLIED WARRANTIES INCLUDING ANY IMPLIED WARRANTIES OF MERCHANTABILITY OR FITNESS FOR PARTICULAR PURPOSE, EXTEND BEYOND THE DURATION OF THE RELEVANT EXPRESS LIMITED WARRANTY. IN NO EVENT SHALL JOME BE LIABLE FOR PUNITIVE, INDIRECT, INCIDENTAL, CONSEQUENTIAL OR SPECIAL DAMAGES. Without limiting the foregoing, JOME assumes no responsibility for loss of use of product, loss of time, inconvenience or other damage.
Some states do not allow limitations on how long an implied warranty lasts or the exclusion or limitation of incidental or consequential damages, so the above limitations and/or exclusions may not apply to you. This warranty gives you specific legal rights and you may also have other legal rights which vary from state to state.
FEATURES

Specifications subject to change without notice.
*This diagram is for reference only and may differ from your actual motor.
INSTALLATION
MOTOR INSTALLATION

With its variable shaft length, the Vantage will fit on most transoms between 14 and 28 inches high.
- Trailer the boat and park it on a level surface.
- Locate the Vantage on the boat transom where it will be mounted. The location choice is important. The Vantage motor lower unit rotates 400°. It must, therefore, be positioned far enough to the side of the outboard engine along the transom so that during rotation it will not strike the outboard With the 36V 101 version, you should install the transom extrusion (provided) before you secure the Vantage to the transom.
TRANSOM EXTRUSION INSTALLATION (101 MODELS ONLY)
a. Set Vantage on transom with clamp screws backed out
b. Slide extrusion between inside of transom and the clamp screw washers and tighten clamp screws
c. Attach extrusion to transom with two screws This will require drilling two appropriate sized pilot holes for the self tapping screws.
- Set the angle adjustment/tensioning screws (located on the sides of transom bracket) so the motor is perpendicular to the Hand tighten the screws.
- Measure from the ground to the bottom of the Measure from ground to the bottom of the Vantage skeg. Secure the unit so the bottom of the skeg is at one inch above the bottom of the hull, directly in front of the Vantage (accounting for the v-shape of the boat hull). Use a 1/2 inch open-end wrench to loosen the four transom bracket nuts/bolts between the body of Vantage and the transom bracket. Adjust the body of Vantage to a one-inch level above the transom and secure. This will position the Vantage lower unit and prop so that, when retracted, they will clear the bottom of the boat. It may take several attempts to achieve correct placement.
- Adjust the handle to a comfortable position.

NOTE: When mounted properly, the Vantage motor lower unit will be out of the water when the boat is on plane. If lower unit creates water spray when on plane, slightly re-adjust it higher until there is no more water spray.
CAUTION:
- Never operate your motor when it is out of the water.
- Over-tightening the clamp screws can damage the bracket.
WARNING: When raising/lowering motor or operating the tilt mechanism, keep fingers clear of all hinge and pivot points and all moving parts.
BATTERY WIRING & INSTALLATION
BOAT RIGGING & PRODUCT INSTALLATION
For safety and compliance reasons, we recommend that you follow American Boat and Yacht Council (ABYC) standards when rigging your boat. Altering boat wiring should be completed by a qualified marine technician. The following specifications are for general guidelines only:
CAUTION: These guidelines apply to general rigging to support your Minn Kota motor. Powering multiple motors or additional electrical devices from the same power circuit may impact the recommended conductor gauge and circuit breaker size. If you are using wire longer than that provided with your unit, follow the conductor gauge and circuit breaker sizing table below. If your wire extension length is more than 25 feet, we recommend that you contact a qualified marine technician.
An over-current protection device (circuit breaker or fuse) must be used. Coast Guard requirements dictate that each ungrounded current-carrying conductor must be protected by a manually reset, trip-free circuit breaker or fuse. The type (voltage and current rating) of the fuse or circuit breaker must be sized accordingly to the trolling motor used. The table below gives recommended guidelines for circuit breaker sizing.
Reference:
United States Code of Federal Regulations: 33 CFR 183 – Boats and Associated Equipment ABYC E-11: AC and DC Electrical Systems on Boats
CONDUCTOR GAUGE AND CIRCUIT BREAKER SIZING TABLE

This conductor and circuit breaker sizing table is only valid for the following assumptions:
- No more than 3 conductors are bundled together inside of a sheath or conduit outside of engine spaces.
- Each conductor has 105° C temp rated insulation.
- No more than 5% voltage drop allowed at full motor power based on published product power requirements.
*Wire Extension Length refers to the distance from the batteries to the trolling motor leads.
SELECTING THE CORRECT BATTERIES
The motor will operate with any lead acid, deep cycle marine 12 volt battery/batteries. For best results, use a deep cycle, marine battery with at least a 105 ampere hour rating. Maintain battery at full charge. Proper care will ensure having battery power when you need it, and will significantly improve the battery life. Failure to recharge lead-acid batteries (within 12-24 hours) is the leading cause of premature battery failure. Use a multi-stage charger to avoid overcharging. We offer a wide selection of chargers to fit your charging needs. If you are using a crank battery to start a gasoline outboard, we recommend that you use a separate deep cycle marine battery/ batteries for your Minn Kota trolling motor.
Advice Regarding Batteries:
- Never connect the (+) and the (–) terminals of the battery Take care that no metal object can fall onto the battery and short the terminals. This would immediately lead to a short and extreme fire danger.
- It is highly recommended that a circuit breaker or fuse be used with this trolling Refer to “Conductor Gauge and Circuit Breaker Sizing Table” in the previous section to find the appropriate circuit breaker or fuse for your motor. For motors requiring a 60-amp breaker, the Minn Kota MKR-19 60-amp circuit breaker is recommended.
CONNECTING THE BATTERIES IN SERIES (IF REQUIRED FOR YOUR MOTOR)
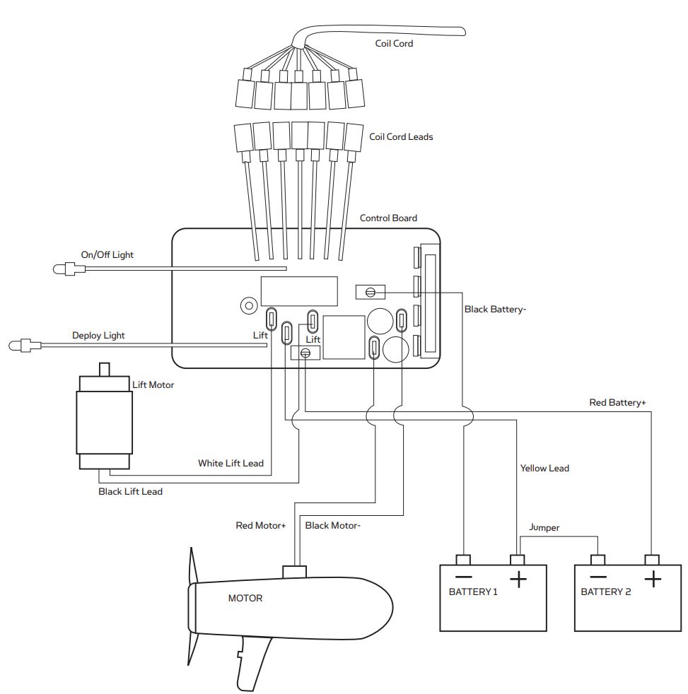
24 VOLT SYSTEMS:

- Make sure that the motor is switched off (speed selector on “0”).
- Two 12 volt batteries are required.
- The batteries must be wired in series, only as directed in wiring diagram, to provide 24 volts.
- Connect the connector cable supplied with the motor to positive (+) terminal of battery 1 and to negative (–) terminal of battery 2.
- Connect positive (+) red lead to positive (+) terminal on battery 2.
- Connect the yellow (+) lead to positive (+) terminal on battery 1.
- For safety reasons do not switch the motor on until the propeller is in the If installing a leadwire plug, observe proper polarity and follow instructions in your boat owner’s manual. See wiring diagram on following pages.
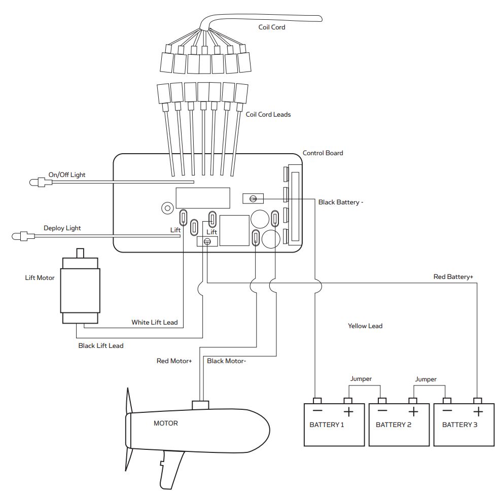
36 VOLT SYSTEMS:

- Make sure that the motor is switched off (speed selector on “0”).
- Three 12 volt batteries are required.
- The batteries must be wired in series, only as directed in wiring diagram, to provide 36.
- Connect the connector cable supplied with the motor to positive (+) terminal of battery 1 and to negative (–) terminal of battery.
- Connect positive (+) red lead to positive (+) terminal on battery.
- Connect the yellow (+) lead to positive (+) terminal on battery.
- Connect negative (–) black lead to negative (–) terminal of battery.
- For safety reasons do not switch the motor on until the propeller is in the water. If installing a leadwire plug, observe proper polarity and follow instructions in your boat owner’s manual. See wiring diagram on following pages.
CAUTION
- Improper wiring of 24/36 volt systems could cause battery explosion!
- Keep leadwire wing nut connection tight and solid to battery terminals
- Locate battery in a ventilated compartment.
- For safety reasons, disconnect the motor from the battery or batteries when the motor is not in use or while the battery/batteries are being charged.
MOTOR WIRING DIAGRAM
24 VOLT SYSTEM

36 VOLT SYSTEM

USING & ADJUSTING THE MOTOR
ADJUSTING THE DEPTH OF THE MOTOR

To position the lower unit, press and release the DOWN button on the tiller to automatically lower the motor into the water. To adjust for shallow water, deploy the motor and hit the DOWN button a second time and the motor will stop at that point. Use the UP button to adjust depth if still necessary. When the DOWN button is pushed, the motor down LED will illuminate and stay lit until the motor is retracted back to its stowed position. The motor is only designed to deploy a certain distance. Pushing the DOWN button when the motor is fully deployed or UP button when the motor is fully stowed may result in lift motor damage.
NOTE: If the UP button is pushed while the lower unit is running, the power will shut off to protect the lift system.
CAUTION: Never operate your motor when it is out of the water.

CONTROLLING SPEED AND DIRECTION WITH THE TILLER
Locate the ON/OFF switch located at the end of the control handle. Push the switch in to power on, and push the switch again to power off. The LED indicator will illuminate when power is on. This motor offers a choice of infinitely variable speeds. Turn the control button on the tiller counterclockwise to decrease speed and clockwise to increase speed.

ARTICULATED STEERING
The tiller has a 4-to-1 steering ration which enables you to rotate the lower unit 180° by moving the tiller just 45°.

BACKTROLLING
The orientation of the lower unit can be changed for backtrolling. Set your speed to 0 and trim the lower unit down to the fully deployed position. Slide the latch knob to the front and hold. Align the directional indicator with the tiller handle and slightly twist the indicator knob left or right while pulling up with slight force until the alignment is achieved and the indicator knob is free. Lift and turn the indicator knob counterclockwise 180°, then align the indicator in its new position with the tiller handle and press down to re-seat it. Release the latch knob..

ADJUSTING THE TILLER
Pull the tiller handle to extend the tiller an additional 7 inches.
The handle can be positioned at an angle using the large clamp screw. Loosen the screw located at the base of the handle, adjust the handle to a comfortable position then hand-tighten the screw.
CAUTION: Over-tightening the clamp screw, or adjusting the handle angle without loosening clamp screw, can damage the bracket.
NOTE: Always loosen clamp before adjusting angle and retighten when desired angle is achieved.

SERVICE & MAINTENANCE
PROPELLER REPLACEMENT
TOOLS AND RESOURCES REQUIRED:
- Box End Wrench
- 1/2” for motors with 70 lbs thrust or lower.
- 9/16” for motors with 80 lbs thrust or higher.
- Screwdriver (optional)

CAUTION:
Disconnect the motor from the battery before beginning any prop work or maintenance.
NOTE: The propeller on your motor may differ from the one pictured.
- Disconnect the motor from all sources of power prior to changing the propeller.
- Hold the propeller and loosen the prop nut with pliers or a
- Remove the prop nut and If the drive pin is sheared or broken, you will need to hold the shaft stationary with a blade screwdriver pressed into the slot on the end of the shaft.
- Turn the old prop to horizontal (as illustrated) and pull it straight If drive pin falls out, push it back in.
- Align the new propeller with the drive pin.
- Install the prop washer and prop nut.
- Tighten the prop nut 1/4 turn past snug [25-35 inch ] Do not over tighten as this can damage the prop.
GENERAL MAINTENANCE
- After use, the entire motor should be rinsed with freshwater, then wiped down with a cloth dampened with an aqueous based silicone This series of motors is not equipped for saltwater exposure.
- The propeller must be inspected and cleaned from weeds and fishing line after every Fishing line and weeds can get behind the prop, damage the seals and allow water to enter the motor.
- Verify the prop nut is secure each time the motor is used.
- To prevent accidental damage during transportation or storage, disconnect the battery whenever the motor is off of the For prolonged storage, lightly coat all metal parts with an aqueous based silicone spray.
- For maximum battery life recharge the battery(s) as soon as possible after For maximum motor performance restore battery to full charge prior to use.
- Keep battery terminals clean with fine sandpaper or emery cloth.
- The propeller is designed to provide weed free operation with very high efficiency. To maintain this top performance, the leading edge of the blades must be kept If they are rough or nicked from use, restore to smooth by sanding with fine sandpaper.
TROUBLESHOOTING & REPAIR
- Motor fails to run or lacks power:
- Check battery connections for proper polarity.
- Make sure terminals are clean and corrosion Use fine sandpaper or emery cloth to clean terminals.
- Check battery water Add water if needed.
- Motor loses power after a short running time:
- Check battery If low, restore to full charge.
- You experience prop vibration during normal operation:
- Remove and rotate the prop 180°. See removal instructions in the Propeller Replacement section.
- The lower unit does not fully deploy:
- Check for shallow water or underwater obstructions.
- The deployed lower unit does not fully retract:
- Press the DOWN button so the lower unit returns to full Then press and hold the UP button until the unit is fully retracted.
- Experiencing interference with your fish finder:
- You may, in some applications, experience interference in your depth finder We recommend that you use a seperate deep cycle marine battery for your trolling motor and that you power the depth finder from the starting/cranking battery. If problems still persist, call our service department at 1-800-227-6433.
ATTENTION: The lift system of the Vantage motor can be affected by cold temperatures. At temperatures below 32 degrees Farenheit., (0 degrees Celsius.), the lubricant in the lift system can become viscous preventing stow/deploy. Also, if this motor is being used in open water areas at freezing temperatures, ice can form on the telescoping portion of the motor shaft preventing stow/deploy. In either case, placing the motor in a warm, heated area will restore the lift system to normal operation.
NOTE: For all other malfunctions, visit an Authorized Service Center. You can search for an Authorized Service Center in your area by visiting our Authorized Service Center page, found online at minnkotamotors.com, or by calling our customer service number, 800-227-6433.
FOR FURTHER TROUBLESHOOTING AND REPAIR
We offer several options to help you troubleshoot and/or repair your product. Please read through the options listed below.

PARTS DIAGRAM
VANTAGE 80
80 LBS THRUff – 24 VOLT
VANTAGE 101
101 LBS THRUff – 36 VOLT

PARTS LIST
VANTAGE 80/101
80/101 LBS THRUT – 24/36 VOLT

COMPLIANCE STATEMENTS
ENVIRONMENTAL COMPLIANCE STATEMENT:
It is the intention of JOME to be a responsible corporate citizen, operating in compliance with known and applicable environmental regulations, and a good neighbor in the communities where we make or sell our products.
WEEE DIRECTIVE:
EU Directive 2002/96/EC “Waste of Electrical and Electronic Equipment Directive (WEEE)” impacts most distributors, sellers, and manufacturers of consumer electronics in the European Union. The WEEE Directive requires the producer of consumer electronics to take responsibility for the management of waste from their products to achieve environmentally responsible disposal during the product life cycle.
WEEE compliance may not be required in your location for electrical & electronic equipment (EEE), nor may it be required for EEE designed and intended as fixed or temporary installation in transportation vehicles such as automobiles, aircraft, and boats. In some European Union member states, these vehicles are considered outside of the scope of the Directive, and EEE for those applications can be considered excluded from the WEEE Directive requirement.
This symbol (WEEE wheelie bin) on product indicates the product must not be disposed of with other household refuse. It must be disposed of and collected for recycling and recovery of waste EEE. Johnson Outdoors Inc. will mark all EEE products in accordance with the WEEE Directive. It is our goal to comply
in the collection, treatment, recovery, and environmentally sound disposal of those products; however, these requirement do vary within European Union member states. For more information about where you should dispose of your waste equipment for recycling and recovery and/or your European Union member state requirements, please contact your dealer or distributor from which your product was purchased.
DISPOSAL:
Minn Kota motors are not subject to the disposal regulations EAG-VO (electric devices directive) that implements the WEEE directive. Nevertheless never dispose of your Minn Kota motor in a garbage bin but at the proper place of collection of your local town council.
Never dispose of battery in a garbage bin. Comply with the disposal directions of the manufacturer or his representative and dispose of them at the proper place of collection of your local town council.
WARNING: This product contains chemicals known to the State of California to cause cancer and birth defects or other reproductive harm.
NOTES
______________________________________________________________________________________________________________________________________________________________________________________________________________________________________________________________________________________________________________________________________________________________________________________________________________________________________________________________________________________________________________________________________________________________________________________________
RECOMMENDED ACCESSORIES
ON-BOARD & PORTABLE BATTERY CHARGERS
Stop buying new batteries and start taking care of the ones you’ve got. Many chargers can actually damage your battery over time – creating shorter run times and shorter overall life. Digitally controlled Minn Kota chargers are designed to provide the fastest charge that protect and extend battery life.

TALON SHALLOW WATER ANCHOR
Talon deploys faster, holds stronger and runs quieter than any other shallow water anchor. Available in depths up to 12’ and bold color options, it boasts an arsenal of features and innovations that no other anchor can touch:

- Vertical, multi-stage deployment
- User-Selectable Anchoring Modes
- 2x Anchoring Force
- Fast Deploy
- Auto Up/Down
- Triple Debris shields*
- Built-In Wave Absorption
- Noise Dissipation
- Versatile Adjustments
*available on 10’ and 12’ models only
MINN KOTA ACCESSORIES
We offer a wide variety of trolling motor accessories, including:

- 60-Amp Circuit Breaker
- Mounting Brackets
- Stabilizer Kits
- Extension Handles
- Battery Connectors
- Battery Boxes
- Quick Connect Plugs
For a complete listing of Minn Kota accessories, visit minnkotamotors.com

Facebook
Instagram
Twitter
YouTube

Part #2057100
Minn Kota Consumer & Technical Service Johnson Outdoors Marine Electronics, Inc. PO Box 8129 Mankato, MN 56001
121 Power Drive
Mankato, MN 56001
Phone (800) 227-6433
minnkotamotors.com Fax (800) 527-4464
©2014 Johnson Outdoors Marine Electronics, Inc.