KEUCO 59549 IXMO 3-Way Stop and Diverter Valve Instruction

Mounting instruction

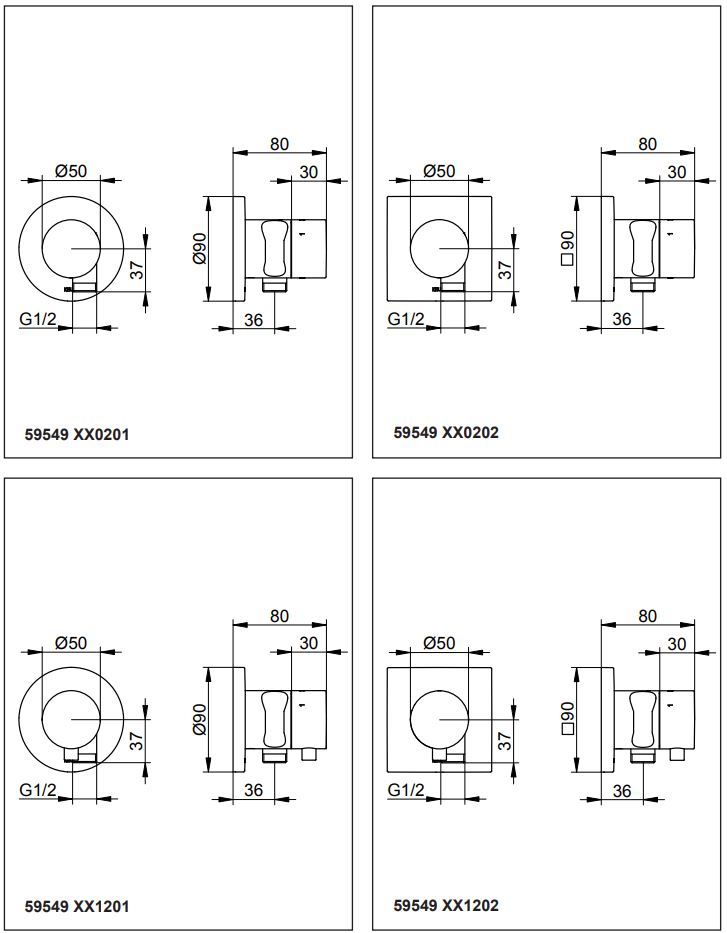
Mounting dimensions

Important information, please read!
ℹ These instructions are for both the installer for installation and the user for operation and maintenance of the product. After installation, please hand them over to the user to keep.
Symbols and explanations

Technical specifications
Flow at 3 bar pressure
– Outlet 1: approx. 11 l/min
– Outlet 2: approx. 24 l/min
– Wall outlet for shower hose: approx. 14 l/min
Installation dimensions, refer to page 2
⚠ Installation, refer to picture 1 on page 8 Use only neutrally netting silicone.
Operation, refer to picture 11 on page 10
Servicing, refer to picture 12 on page 10
Assemble in reverse order.
– Cartridge nut torque: 20-30 Nm
For spare parts with order numbers, refer to page 11
ℹ For warranty and care information please refer to the attached warranty and care instructions.

Spare parts

KEUCO UK Ltd Amersham House Mill Street GB-Berkhamsted HP4 2DT
Phone: +44 10442865220
E-Mail: admin@keuco.co.uk
_________________________________________________________________________________________________________________________________________________________________________________________________________________________________________________________________________________________________________________________________________________________________________________________